◆科学惊人发现:宇宙竟是大脑

《纽约时报》刊登的2张照片,一张是老鼠的脑细胞(左),一张是宇宙(右)。早期宇宙中星系互连关系,和大脑神经元相互连接,几乎无法分辨两张图之间的不同,大脑细胞与整个宇宙拥有一样的结构。(网络图片)
如果有人告诉你大脑是个小宇宙,宇宙是个超级大脑,你能理解吗?会相信吗?2012年11月16日,《自然》杂志在“科学报告”专栏发表了一篇研究论文,证明宇宙的成长过程和结构与大脑细胞的生成过程和结构几乎一模一样。
无独有偶,杂志编辑和作家朱迪思‧霍珀(Judith Hopper)和她的先生迪克‧特瑞西(Dick Teresi)合写的《三磅宇宙》(Three Pound Universe),把人脑比作三磅重的宇宙。在书的第33页,有两张图片,一张是大脑皮层,一张是宇宙暗物质,这两张图片也是惊人的相似;说明大脑就像一个微缩宇宙,而宇宙则是一巨型的大脑。

在《三磅宇宙》的第33页,刊登着一张大脑皮层图片。(网络图片)

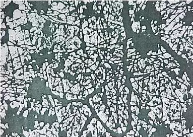
用加拿大法国夏威夷望远镜得到的宇宙暗物质图片,此图也在《三磅宇宙》中的第33页。(网络图片)
这些研究发现至今仍被不断报导与关注,似乎预示着科学领域的巨大突破。如果这些发现最终被完全证实,那将彻底改变人们对宇宙、对人体、对生命以及对人和宇宙之关系的认识。
网络不同 但自然生长动力相同:
《自然》杂志的研究报告显示,某些未知的基本规律可能支配着多种或大或小的系统,从脑细胞之间的电信号传递,到社交网络的扩充,乃至宇宙的膨胀。该研究报告的作者之一、美国加州圣地亚哥大学的物理学家德米特里‧戈里尤可夫(Dmitri Krioukov)说:“不同的网络,如互联网、大脑和社交网络,其自然的生长动力是一样的。”
研究人员开发了一个计算机模拟程序,将早期宇宙分成尽可能小的单元,其中时空的份额比亚原子的粒子还小。模拟将所有的量子(或称节点)联系在一个巨大的,具有因果关系的天体网络中。
随着模拟的进行,宇宙的历史中加入了越来越多的时空单元,星系中物质的“网络”连接由此也不断增长。当研究人员将宇宙历史与社交网络,或者大脑回路增长的方式对比时,发现这些网络都以相似的方式扩展:它们会协调相似节点与诸多连接节点之间的关系。
研究还发现,大脑中的连接有着极其高的组织化,大脑的结构就像是城市的布线网格,神经元遍及各个角落。戈里尤可夫说:“对于物理学家来说这是个即时信号,意味着自然的运作中还有某种人类尚未知道的东西。”很可能在这些不同的网络之中,有一些未知的规律在支配它们运行。“研究结果提醒我们,也许是开始寻找这些规律的时候了。”
全息照片 论证宇宙的不可分性:
17世纪,微积分的发明者、著名的哲学家兼数学家、物理学家莱布尼茨(GottfriedWilhelm Leibniz:1646~1716),认为,“超自然”的事物预见并创造了这个物质的世界。莱布尼茨对微积分的发现促使在200年之后科学家提出全息论。曾与爱因斯坦一起工作过的伦敦大学理论物理教授大卫.波姆(David Bohm:1917-1992)是现代全息理论之父。
什么是全息呢?比如一张照片,里面有一个人像;如果我们把这照片切成两半,从任何一半中我们都能看到原先完整的人像;如果我们再把它撕成许多许多的碎片,我们仍能从每块小碎片中看到完整的影像。这样的照片就叫全息照片。
全息论的核心思想是,宇宙是一个不可分割的、各部份之间紧密关联的整体,任何一个部份都包含整体的信息。全息理论很好地解释了超距作用的原理。大卫‧波姆曾阐述说,独立存在的事物展开来所看到的秩序之下其实存在着一种不可分的整体的有序性。这一整体与各个展开的个体同时共存。所以宇宙就如同一张巨大的全息图,它的各个部份既包含于整体之中,而整体亦包含于个体之中。身体中的每一个细胞都隐含这整个宇宙。
韩国人郑润在其《微尘中的无限宇宙》一书的“分形宇宙论”中写道,莱布尼茨发表了叫做单子论(Monadology)思想。那是一种宇宙由无数个单子(monad)构成,每一个单子里有一个完整的宇宙。即一个粒子如果在其里面又包含着一个完整的宇宙,那么,那个宇宙会由更小的无数个粒子构成,而在那每一个粒子里面又会有其他更小的宇宙。
斯坦福大学的脑神经学家卡尔‧普里布拉姆(Karl Pribram)研究脑部是如何储存记忆的,他被全像式结构模型所吸引。许多研究显示,记忆的储存不是单独地限于特定区域,而是分散于整个脑部。在 1920年代的一连串历史性的实验中,脑部科学家卡尔.拉甚利(Karl Lashley)发现不管老鼠脑部的什么部位被割除,都不会影响它的记忆,仍旧能表现手术前所学到的复杂技能。
然后在1960年代,普里布拉姆接触到全像摄影的观念,他相信记忆不是记录在脑神经细胞中,或一群细胞中,而是以神经脉冲的图案横跨整个脑部,就像雷射绕射的图案遍布整个全像摄影的底片上。
佛道学说 超前揭示宇宙之奥秘:
迪帕克‧乔普拉(Deepak Chopra)是《时代周刊》20世纪世界最有影响力的100位人物之一,也是杜克大学医学中心的教授,他在《赫芬顿邮报》的博文“你的大脑就是宇宙”中,也引用了《自然》杂志的这个研究。
乔普拉提到了古老的印度宗教的宇宙观——“因为是最小的,所以也是最大的”(As is the smallest, so is the greatest)。乔普拉说,如果我们承认每一个系统都是由反馈回路、动态平衡和持续的自我组织驱动的,那么现代科学的认识就又完全回归到了这一古老的智慧。
随着越来越多的宇宙的真实被发现和证实,人们会发现道家所说的“人体是一个小宇宙”和佛家所讲的“一粒沙里有三千大千世界”是更高的科学。而更令人深思的是,在没有现代科学的几千年前,以佛道为主的修炼界是如何知道宇宙奥秘的呢?
转自:中国生物技术信息网